【摘要】某商品住宅項目基坑開挖 3.8m~5.6m,涉及基坑開挖影響范圍內的建筑主要為 927弄(臨)28號、927弄(臨) 29號,為了解兩棟房屋的施工前現狀,為后期基坑施工對周邊建筑的影響程度提供依據,上海某有限公司特委托房屋質量檢測站對以上兩棟房屋進行施工前現狀檢測。
1. 檢測概述
上海某有限公司擬對某商品住宅項目進行基坑工程建設,基坑開挖深度約 3.8m~2. 6m,涉及基坑開挖影響范圍內的建筑主要為 927弄(臨)28號、927弄(臨)29號。為了解兩棟房屋的施工前現狀,為后期基坑施工對周邊建筑的影響程度提供依據,上海某有限公司特委托屋質量檢測站對以上兩棟房屋進行施工前現狀檢測。
1.1 檢測鑒定的范圍
本次基坑周邊檢測范圍房屋為 927弄(臨) 28號、927弄(臨) 29號。具體位置參見總平面示意圖 1-1。


2.主要工作內容
本次檢測鑒定主要工作內容包括:
1 )房屋建筑、結構概況和使用情況調查;
2 )收集房屋原有全部圖紙資料,補充繪制房屋的標準層建筑平面示意圖;
3 )房屋與相鄰基坑位置關系調查;
4 )相鄰基坑工程概況調查;
5 )房屋完損狀況現場檢測;
6 )測量房屋現有傾斜率,并對房屋沉降監測點的初始高程進行測量復核;
7 )匯總檢測結果,分析房屋的變形敏感區域,并對變形損壞的報警值進行建議;
8 )根據現場檢測結果,對該批房屋進行評定,并提出合理化建議。
3.房屋概況
3.1某工程項目概況
某工程項目主要為 2座地下車庫及 3幢地上商品住宅。地下車庫為地下一層,框架結構;2#公寓為地上 14層,結構形式為剪力墻結構,地下一層,主體結構高度為 43.40m; 3#、4#公寓為地上 11層,結構形式為剪力墻結構,地下一層,主體結構高度為 34.90m。
3.2基坑工程概況
該基坑工程位于市區,基坑周邊環境條件復雜,本工程分兩個基坑,南側基坑開挖深度 5.6m,北側基坑開挖深度 3.8m,南側基坑開挖面積為 3574m²,北側基坑開挖面積為 642m²,南側、北側兩基坑安全等級都為 3級,南側、北側基坑環境保護等級均為級。
南側基坑采用 SMW工法樁圍護結構,支撐體系采用鋼管對撐+混凝土角撐水平支撐組合;北側基坑東側采用 SMW工法樁結合混凝土角撐水平支撐的圍護結構,西側采用水泥土攪拌樁重力式擋墻圍護結構。
圍護立柱采用 H400×400型鋼立柱,型鋼長 15m,型鋼頂標高 +2.60m,H型鋼底標高-12.40m。混凝土設計強度等級為 C30,混凝土傳力帶混凝土強度同主體結構,型鋼、鋼管、立柱鋼材均采用 Q235B。
3.3周邊建筑物概況

927弄(臨)28號、29號:兩幢建筑建造于約 1986年,原為寶鋼場外施工基地永久性單身宿舍,房屋建筑平面呈矩形,東西向長度為 47.04m,南北向長度為 14.44m,共 6層,每層層高均為 3.00m,建筑主體高度約為 18.0m,屋面為平屋面,室內外高差約為 0.17m;房屋結構形式為磚混結構,基礎形式為混凝土條形基礎,基礎高約為 350mm,基礎埋深約為 1.8m,承重墻體采用 20孔 240承重空心磚或 240機制紅磚,房屋四角及樓梯間均未設置構造柱,房屋四周及樓梯間每層均設置圈梁,架空地坪、樓板及屋面均采用 120mm預應力空心板,廁所、樓梯、盥洗樓板采用現澆混凝土。
4.現場檢測情況
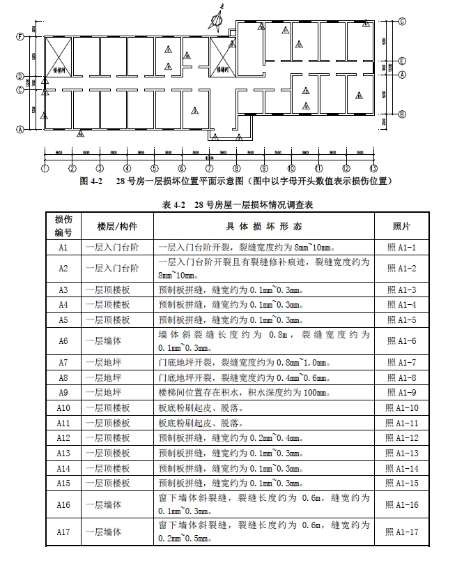
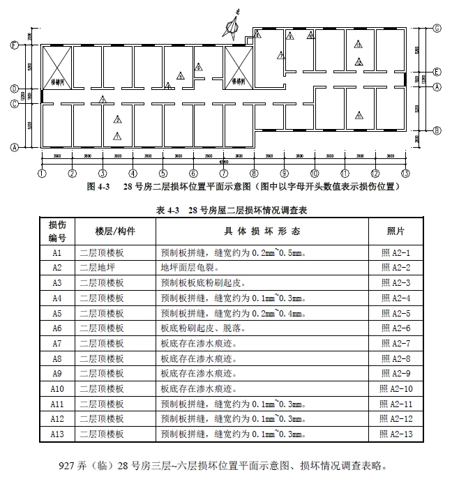
4.1 927弄(臨)28號房屋損傷情況調查
927弄(臨)28號房屋,建設年代約 1986年,6層磚混結構。經現場檢測,目前,房屋主要存在粉刷層起皮、預制板拼縫、滲水等現象,一層、二層的損壞位置平面圖詳見圖-2和圖-3所示,損壞情況調查表詳見表-2和表-3所示。


4.2 927弄(臨)29號房屋損傷情況調查
927弄(臨)29號房屋,建設年代約 1986年,6層磚混結構。經現場檢測,目前,房屋主要存在外墻粉刷層酥松脫落、預制板拼縫、滲水等現象。各層損壞位置平面示意圖、損壞情況調查表略。
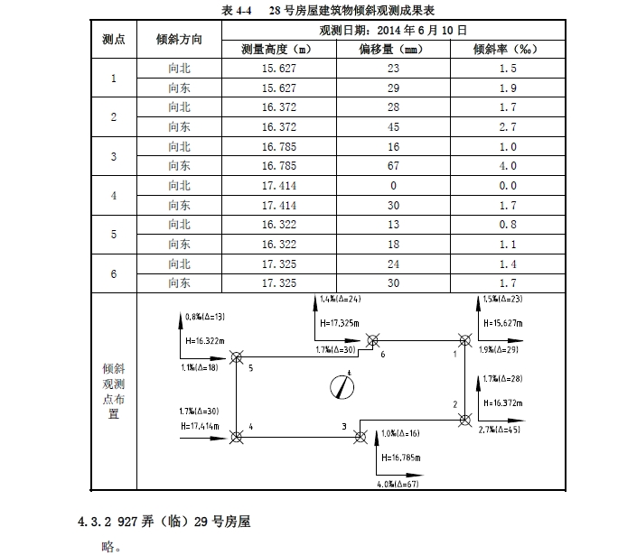
4.3房屋整體傾斜測量
4.3.1 927弄(臨)28號房屋
根據現場條件,采用中緯全站儀 (ZT80 MR+,編號 FJ-14)對房屋角點進行垂直投影,測量其頂部相應底部偏移值(部分測點因現場通視條件限制無法測得)。房屋測點布置及測量值詳見表 4-4。經測量,房屋整體向東、向北傾斜,東西向昀大傾斜率為向東 4.0‰,南北向昀大傾斜率為向北 1.7‰。

4.4沉降和裂縫監測點布置及報警值
4.4.1 房屋沉降監測點布置
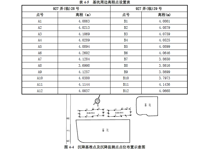
本次沉降監測采用獨立高程系統,高程起算點選取基坑影響范圍外, 1009號內 5層房屋西南角沉降觀測點作為高程起算點 BM1(距離基坑邊約為 150m),并假設 BM1高程為 4.0000m,另選取兩個地面穩定點分別為 BM2、BM3。
本次沉降監測采用 NA2型自動安平精密水準儀(QJ-50)配以 GMP3光學測微器,并配備 2m銦鋼尺及其配套的標準尺墊、扶尺架等,根據有關技術規范的要求,采用精密水準測量的方法進行測量。
本次沉降監測房屋沉降監測點利用原房屋建造時預埋點,在原預埋點不能施測或被破壞時,進行相應補充。具體監測點及基準點布置詳見圖 4-4,高程點數值詳見表 4-5。本次沉降觀測日期為:2014年 6月 10日。

4.4.2 房屋裂縫監測點布置
根據房屋現場的檢測情況,在房屋墻體裂縫等位置用石膏餅做標志,記錄現有的裂
縫狀態,本次兩棟房屋裂縫監測點共布置了 5個監測點。927弄(臨) 28號一層石膏餅平面位置布置參見圖 4-5(29號一層石膏餅平面位置布置圖略)。

5 匯總與評估
(1)上海市某住宅商品住宅項目涉及基坑開挖影響范圍的建筑主要為 927弄(臨)28號、 927弄(臨)29號。根據現場檢測及調查,上述房屋的現狀如下:
• 927弄(臨) 28號,建造于約 1986年,6層磚混結構,距離基坑邊距離約為 13.74m。建筑主體高度約為 18.6m,每層層高均為 3.1m,房屋基礎形式為混凝土條形基礎,基礎高約為 350mm,基礎埋深約為 1.8m,房屋四角及樓梯間均設置構造柱,房屋四周及樓梯間每層均設置圈梁,架空地坪、樓板及屋面均采用 120mm預應力空心板,衛生間、盥洗間采用現澆樓板,上部結構整體構造措施較好。現場檢測情況表明,房屋目前主要存在墻體粉刷層起皮、預制板拼縫等損傷。
• 927弄(臨) 29號,建造于約 1986年,6層磚混結構,距離基坑邊距離約為 13.58m。建筑主體高度約為 18.0m,每層層高均為 3.0m,房屋基礎形式為混凝土條形基礎,基礎高約為 350mm,基礎埋深約為 1.8m,房屋四角及樓梯間均未設置構造柱,房屋四周及樓梯間每層均設置圈梁,架空地坪、樓板及屋面均采用 120mm預應力空心板,衛生間、盥洗間采用現澆樓板,上部結構整體構造措施較薄弱。現場檢測情況表明,房屋目前主要存在外墻粉刷層酥松、脫落,墻體粉刷層起皮、預制板拼縫等損傷。
(2)按照投點法原理,采用中緯全站儀測量房屋角點棱線的相對垂直度方式進行傾斜測量,測量結果包括原始施工誤差、測量誤差和累計總體變形在內,測量結果如下:
• 927弄(臨)28號:房屋整體向東、向北傾斜,東西向昀大傾斜率為向東 4.0‰,南北向昀大傾斜率為向北 1.7‰。
• 927弄(臨) 29號:房屋東西向昀大傾斜率為向西 1.4‰,南北向昀大傾斜率為向南 0.9‰。
(3)綜合分析本工程的現狀以及周邊房屋的結構現狀,根據有關標準、規范,確定房屋累計沉降和裂縫的建議報警值為:砌體結構累計沉降 20mm,連續 2天日沉降超過2.0mm或當日超過 3.0mm;砌體承重墻裂縫開展 0.5mm、填充圍護墻裂縫開展 2mm、地坪裂縫開展 10mm。
6 檢測結論與建議
(1)新建工程有南北兩個基坑,南側基坑開挖深度 5.6m,北側基坑開挖深度 3.8m,涉及基坑開挖影響范圍內的建筑主要為 927弄(臨)28號、927弄(臨)29號。
(2) 927弄(臨)28號、29號,均建造于約 1986年,均為 6層磚混結構。房屋基礎形式均為混凝土條形基礎,基礎埋深約為 1.8m,927弄(臨) 28號房屋四角及樓梯間均設置構造柱,房屋四周及樓梯間每層均設置圈梁,上部結構整體構造措施較好,距離基坑距離約為 13.74m;927弄(臨)29號房屋四角及樓梯間均未設置構造柱,房屋四周及樓梯間每層均設置圈梁,上部結構整體構造措施較為薄弱,距離基坑邊距離約為 13.58m。
(3)現場檢測情況表明,927弄(臨)28號房屋損傷主要為墻體及板底粉刷層起皮、預制板拼縫、樓面面層空鼓、開裂等現象;927弄(臨)29號房屋損傷主要為外墻粉刷層普遍存在酥松、脫落,墻體及板底粉刷層起皮、預制板拼縫、樓面面層空鼓、開裂,部分陽臺圍墻后砌筑墻體傾斜等現象。
(4) 927弄(臨) 28號房屋:房屋整體向東、向北傾斜,東西向昀大傾斜率為向東 4.0‰,南北向昀大傾斜率為向北 1.7‰,均在規范允許范圍之內。
(5) 927弄(臨) 29號房屋:房屋東西向昀大傾斜率為向西 1.4‰,南北向昀大傾斜率為向南 0.9‰,均在規范允許范圍之內。
(6)根據現場檢測結果和《房屋完損等級評定標準》(城住字( 84)第 678號)的相關內容,委托檢測房屋完損等級評定如下:927弄(臨)28號、927弄(臨)29號均可評定為一般損壞房。根據本工程的情況結合周邊房屋的結構現狀,建議報警值為:砌體結構累計沉降 20mm,連續 2天日沉降超過 2.0mm或當日超過 3.0mm;砌體承重墻裂縫開展 0.5mm、填充圍護墻裂縫開展 2mm、地坪裂縫開展 10mm。
(7)由于 927弄(臨) 28號、29號兩幢房屋當時建造標準較低,處于 3倍基坑開挖深度影響范圍之內,且 28號房屋整體向東傾斜,29號房屋構造措施比較薄弱,因此,在基坑開挖時施工單位需高度重視以上房屋。建議在地下工程的施工中采取可靠措施,避免對上述房屋造成較大的振動影響,并在后續的施工中加強對房屋及圍墻的沉降監測,在各個施工階段均應保證一定的監測頻率。